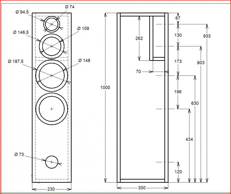
da mein budget als schüler ziemlich begrenzt ist, habe ich mir die alto 3 c als mein erstes bauprojekt vorgenommen.
Nun habe ich fast schon den ganzen tag im forum damit verbracht, mir infos zur box zusammenzusuchen und festgestellt das die box als relativ druckvoll im bass beschrieben wird, was meinen vorstellungen entgegenkommt.
der user jama hat die alto 3 c mit dem w130s simuliert und ich glaube das ich das chassis für mein projekt benutze werde.
jetzt stellt sich mir die frage ob ich das gehäuse und den aufbau so belassen kann wie bei der original box?
wie sieht die frequenzweiche aus? da es ja nun nicht mehr die originalweiche von visaton ist, bräuchte man ja eine komplett neue fw oder ?
was für spulen, widerstände und kondensatoren bräuchte ich? auf welcher platine würde das ganze aufgelötet?
kann mir vllt. einer ne materialliste erstellen, oder n tipp geben wie ich diese selber anfertigen kann?
mfg Jonas


Kommentar