Reicht der Pegel?
Deswegen hier nochmal der Hinweis: Das kann niemand gültig beantworten, weil der Raum gewaltigen Einfluss hat.
Zwei Beispiele:
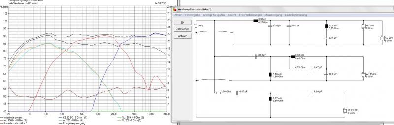
Meine Concorde CB als Simu und Messung am Hörplatz. Kein EQ.
Aus dem Hifi-Forum. Subwoofer mit 15" TT, Trennung bei 80 Hz, kein EQ
Simulation und Messung am Hörplatz
Hieraus folgt: Anhand einer Simulation ist es unmöglich, eine Aussage zu Frequenzgang und auch Maximalpegel zu machen.
Was tun?
1. Flexibel planen
Mit einem Sub beginnen, testen (messen ist optimal), bei Bedarf weitere Subwoofer aufstellen
Als BR planen, wenn der Maximal-Pegel nicht benötigt wird, den Reflexkanal zustopfen. Man verschenkt nur umbauten Raum.
Oder auf Erfahrungswerte mit dem jetzigen Sub zurückgreifen.
2. Aufstellung testen
Wandnähe ergibt mehr Pegel, Eckaufstellung noch mehr. Aber der Frequenzgang kann schlechter werden.
3. Parametrischen EQ einsetzen (im AVR oder als externes Gerät)
4. Das richtige Modul verwenden. Viele haben eingebaute Subsonicfilter oder sind billig konstruiert (im wahrsten Sinne des Wortes) und versagen unter 30-40 Hz.
Die Verwendung mehrerer Subwoofer an verschiedenen Orten verbessert die Basswiedergabe effektiv, das soll aber hier nicht besprochen werden.
Nachzulesen hier
http://www.harman.com/EN-US/OurCompa...s/multsubs.pdf
Also: Probieren geht hier über studieren. Viel Erfolg.


Kommentar