Deshalb sollten zwei TIW200XS als Subwoofer dazu - einer bereits vorhanden.
Zusätzlich wollte ich die Lautsprecher vom Boden entkoppeln - d.h. auf Betonsockel mit Spikes stellen, vom Holzboden mit Gummi entkoppelt werden. Dazu hatte ich schon eine Sonja mit getauschten HT/MT berechnet (hier: http://www.visaton.de/vb/showpost.ph...26&postcount=6 )
Da ich im moment etwas begrenzen Platz habe, dachte ich über die Positionierung des Subs nach. Ein zweiter TIW sollte später auch noch kommen. Boxengröße fast identisch mit den Classic Sonjas als 50 l Bassrelex.
Dann kam mir die Idee, wieso ich die TIWs nicht einfach mit in die Sonjas integrieren. Nach ein paar Überlegungen ist eine 3,5-wege Sonja raus gekommen. Eben gesehen, dass es bei der Symphonie auch so angeordnet ist, weshalb ich so auf den Namen kam
Als Ergänzung habe ich momentan einen Bass-Exciter, welchen ich dann bei ca. 40 Hz trennen kann. Zweiter kommt auch noch, da einer pro Couch nicht ausreicht. Später kann ich mir noch zusätzlich einen kleinen TL-Sub vorstellen + Exciter noch tiefer trennen 
Zum Bau des 3D-Druckers und somit des G20SC-Waveguides bin ich noch nicht gekommen. Die Version hier bezieht sich also auf den ganzen normalen G20. Upgraden kann man später immer noch...neue Front ist schnell gefräst und auf vorhandene aufgeklebt

Die Box selbst ist nur einen Tick größer geworden, da ja der HT durch den Betonsockel angehoben wird und alle Chassis deshalb sowieso etwas runter rutschen mussten.
Die Chassispositionen sind noch nicht perfekt. Habe Abstände der TTs grob berechnet bzw. eher geschätzt. 1-3 cm Verschiebung kommt u.U. noch dazu. Soll ja auch hübsch und nicht chaotisch aussehen

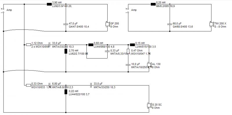
GF200 ist geschlossen in 22 Litern und 200% Füllung. TIW200XS in 35 Litern mit 30 Hz Abstimmung und 100% Füllung. Beide ein Qtc von 0.6.
Reihenfolge von oben nach unten:
TMT / GF200 / < ~500 Hz
MT / AL130 / ~500 - 2800 Hz
HT / G20SC / >= 2800 Hz
TT / TIW200XS / < ~90 Hz
Wirkungsgrad: 88/89 dB
Max. Pegel: 108 dB (900 Hz), 110 dB < 500 Hz und > 2500 Hz
Bündelung von ca. 1000 - 3500 Hz schön waagerecht. Bei der Phase an sich auch nicht zu meckern. Frequenzgang waagerecht +/-30° bis fast 10 KHz nahezu identisch mit 0°.
Gebaut wird nach dem Juli-Urlaub Anfang August...
Bis dahin genug Zeit für Verbesserungsvorschläge und Korrekturen 
Gruß
Paul

).
Kommentar