durch die ganzen neuen Themen zum Waveguide und D'appolito bin ich auf die Idee gekommen mal die Sonjas zu 'tunen'.
Da die Sonjas irgendwann in einem großen Heimkino spielen werden, wird sich das ganze schon lohnen. Die Weichen wollte ich sowieso komplett überarbeiten, da ich damals billige und hochohmige Spulen eingesetzt hatte.
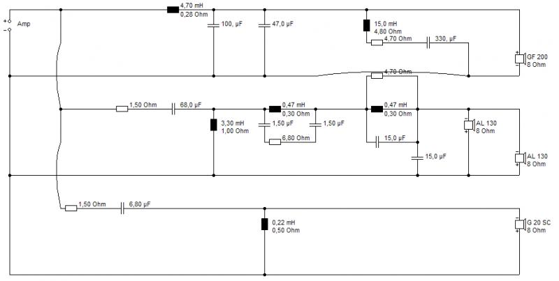
Da es leider (noch) kein echtes WG für den G20SC gibt, habe ich mal mit einem zusätzlichen AL130er experimentiert.
Ausgangsprojekt ist hier die BPJ der Concorde MK III gewesen. Ein wenig gemischt mit der Couplet und der Classic Sonja.
Grob gesehen ist es eine Couplet mit GF200 zur Tieftonunterstützung.
Hier erstmal die normale Version mit 40 Liter BR bei 35 Hz, wie bei der originalen Classic Sonja. Ich werde aber eher eine geschlossene und tick größere Version bauen, da mir ja die 80 Hz Übergangsfrequenz reichen. Subwoofer sind momentan zwei TIW200XS geplant, von welchen der erste bereits seit paar Tagen zum Einspielen im alten SUB T-20.39 Gehäuse eingebaut wurde und parallel zum alten 30er Sub läuft (7.2 Receiver).
Der horizontale Frequenzverlauf ist ein tick flacher als bei der Classic Sonja. War ja auch zu erwarten. Die Phasen sind ganz OK. Der HT spielt paar hundert Hz tiefer - hier habe ich mich an der Couplet orientiert. Der Übergangsbereich MT/HT ist noch nicht so optimal. Hier fällt der FG über einen breiteren Bereich etwas ein.
Für den Anfang siehts das ganze schon ganz gut aus:
Was meint ihr? Jürgen?
Gruß
Paul
Da wollt ich dich sowieso fragen...konnte mich noch dunken dran erinnern, dass die Sinn hatte. Ich hab mich hier beim Übergang an der Couplet orientiert. Die hat einen richtigen Knick..

Kommentar