( http://www.visaton.de/vb/showthread.php?t=26788 ) Zwei WS17E noch gefunden. Das Projekt damals verworfen, da direkt Sonjas gebaut

Fünf F8SC und drei SC5 fliegen hier rum, neben den zwei FR10 aus dem anderen Thread.
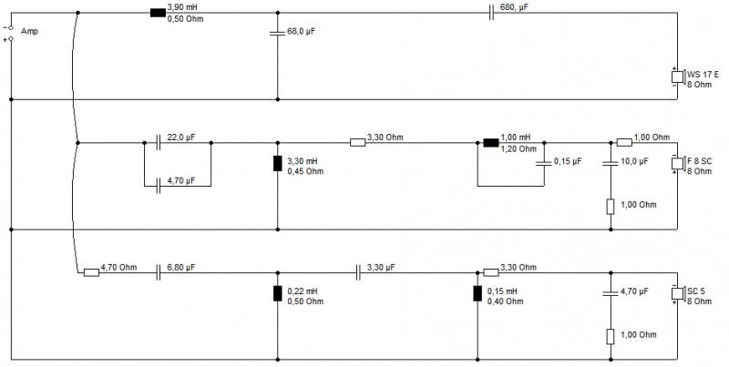
Das Ziel war es, mit vorhanderen Chassis eine günstige Box für Musik/Film zu entwerfen. Nach kurzem ausprobieren stand ein 3-weger fest, welcher vom Frequenzgang und Phase her an sich top aussieht.
Frequenzgang unter +/- 30° L/R und Oben sehen auch guut aus

Mit Weiche sollte das Paar auf etwa 100 € kommen. Chassiskosten belaufen sich auf: 18 + 10 + 10 = ~38 € je Box
Die Front beträgt nur 24x28 cm. Die Tiefe muss entsprechend des Volumens angepasst werden.
Je nach gewünschtem Tiefgang kann das Volumen auch kleiner ausfallen. Hier sind es 16 l für den TT + 2 Liter für den MT.
Bei stärkerer Bedämpung sind auch 8-12 liter mögich. Dann geht es halt nicht mehr soo tief runter - reicht allerdings für eine Trennfrequenz zw. 60 - 80 Hz zum Subwoofer.
Da der F8SC heute nicht mehr so einfach zu bekommen ist, würde ich auf FRS8(M) ausweichen, falls einer die Boxen nachbauen will. Allerdings müsste man hierfür natürlich die Mitteltonweiche anpassen.
Fragen:
- hält der HT die niedrigere Trennfrequenz aus? Habe hier bereits 4.-Ordnung getrennt
- macht es Sinn den MT an beiden Enden höher zu trennen? Der WS17er kann ja viel höher spieen + der HT sowieso ab einer höheren Trennfrequenz empfohlen. Würde die Weiche günstiger machen (momentan 2 x 3,9 mH Spulen + 4.-Ordnung beim HT)
Gruß
Paul