Ankündigung

Einklappen
Keine Ankündigung bisher.

hobbyhifi Dictum

Einklappen
X
 
  • Filter
  • Zeit
  • Anzeigen
Alles löschen
neue Beiträge
  • bob25
    Registrierter Benutzer
    • 18.03.2008
    • 80

    hobbyhifi Dictum

    Hallo,

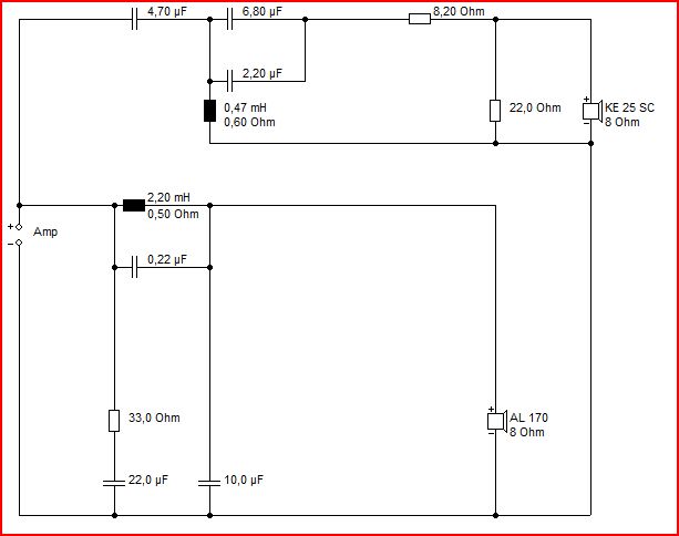
    ich habe für einen Freund die Dictum aus der Hobby Hifi gebaut. In diesem Lautsprecher ist der Al 170 ( ca:43L BR) und der KE25 verbaut.
    Aus Interesse habe ich den Lautsprecher in Boxsim "nachgebaut" und habe ein ganz anderes Ergebnis erhalten als es in der Zeitschrift abgedruckt war. Laut Simulation ist der Bereich um 100 Hz zeimlich aufgebläht, was mir beim hören so nicht aufgefallen ist!?
    Es verwundert mich, dass die Ergebnisse so weit auseinander liegen. Da bei meinem Projekt die Simulation und die Messung recht gut paßte...
    Woran könnte es liegen?

    MfG
    Angehängte Dateien
  • Andi_W
    Registrierter Benutzer
    • 20.04.2001
    • 132

    #2
    Hey...
    Ändere bei der Simulation der Dictum mal die Gehäusegröße unter dem Punkt "gemeinsames Außengehäuse"...
    Du hast dort alle Angaben in mm gemacht, obwohl da cm reingehören...
    Dein simuliertes Gehäuse war 7m groß
    Danach siehts viel besser aus...

    Kommentar

    • jama
      Registrierter Benutzer
      • 19.07.2009
      • 4888

      #3
      genau 10mal zu gross...

      vor-rutchrauch vielleicht?
      Angehängte Dateien
      • ’’Freiheit ist das Recht, anderen zu sagen, was sie nicht hören wollen. ‘‘ George Orwell
      • „Niemand ist frei, der nicht über sich selbst Herr ist. ‘‘ Matthias Claudius.

      deutsch ohne "sz" ABER mit fehler, tchüss! Jean-Marc.

      Kommentar

      • bob25
        Registrierter Benutzer
        • 18.03.2008
        • 80

        #4
        hey...

        ja...war wohl mein Fehler.....
        manchmal sieht man den Wald vor lauter Bäumen nicht....
        trotzdem Danke....

        MfG

        Kommentar

        • jama
          Registrierter Benutzer
          • 19.07.2009
          • 4888

          #5
          mit eine 18db für den ke25 und eine einfache 12db für den al170,br auf 40hz
          bekomme ich das:
          Angehängte Dateien
          • ’’Freiheit ist das Recht, anderen zu sagen, was sie nicht hören wollen. ‘‘ George Orwell
          • „Niemand ist frei, der nicht über sich selbst Herr ist. ‘‘ Matthias Claudius.

          deutsch ohne "sz" ABER mit fehler, tchüss! Jean-Marc.

          Kommentar

          • Thomu
            Registrierter Benutzer
            • 02.07.2010
            • 2

            #6
            Hallo BOB25,

            wie hat dir die Dictum klanglich gefallen die du für deinen Bekannten gebaut hast?
            Ich habe Interesse an der Box, aber bis jetzt noch in keinem Forum Erfahrungswerte oder Statements gelesen. Es wird zwar hier und da drüber diskutiert, aber kaum jemand scheint sie gehört zu haben.
            Die Messwerte sind ja vielversprechend.

            Kommentar

            • walwal
              Registrierter Benutzer
              • 08.01.2003
              • 28778

              #7
              Hallo, Herr Nachbar und willkommen

              Mit diesen beiden Chassis kann man gute Boxen bauen wie die Dictum oder die VIB 170 Al. Ich habe beide noch nicht gehört, aber die Simu beider Boxen überzeugt mich nicht. Je nach Raum kann das zu hart klingen.

              Aber da hilft nur probieren, wie es bei dir klingt. Ist es zu hart, dann baue die Weiche so auf wie in der angehängten Datei. Musst Boxsim herunterladen.

              Aber das ist der Vorteil beim Selbstbau, du kannst es passend abstimmen.

              Diskussion zur Dictum gab es hier.
              http://www.visaton.de/vb/showthread.php?t=19662
              Angehängte Dateien
              Zuletzt geändert von walwal; 06.07.2010, 15:20.
              „Audiophile verwenden ihre Geräte nicht, um Ihre Musik zu hören. Audiophile verwenden Ihre Musik, um ihre Geräte zu hören.“

              Alan Parsons

              Kommentar

              • Gast-Avatar
                andik

                #8
                Hi,

                Kannst mal hier nachlesen, Siegfried hatte beim Treffen seine Standboxen mit Bestückung analog der Dictum dabei, nur ne andere Weiche verbaut, diese LS waren mit die Besten des Tages, schon fast erschütterlich was aus einem 2Wegsystem herauszuholen ist. Vom Bass bis in den Hochton äusserst überzeugende Wiedergabe. Aber wie walwal schon schrieb, je nach Raum und Geschmack individuell anpassbar, ich glaube recht viel besser kann man sein Geld nicht mehr anlegen für ein Paar ernsthafte Lautsprecher.

                Kommentar

                • Thomu
                  Registrierter Benutzer
                  • 02.07.2010
                  • 2

                  #9
                  Hallo,

                  danke für den Hinweis auf das Forentreffen und Meinungen zu Siegrieds 172 AK mit identischer Bestückung, liest sich gut. Ich habe auch von beiden Chassis schon viel gutes gelesen, so dass es mich in meiner Entscheidung bestärkt.

                  Kommentar

                  • bob25
                    Registrierter Benutzer
                    • 18.03.2008
                    • 80

                    #10
                    Hallo,

                    bis jetzt gefallen sie "uns " sehr gut. So richtig können wir es jedoch noch nicht beurteilen,da die Lautsprecher in seinen zukünftigem "Heimkino" auf dem Dachboden stehen und der Raum noch nicht fertig ausgebaut ist. Es fehlt nur noch der "Rigibs". Sein Heimkinosystem besteht aus 3x Dictum + 2xRears die ähnlich der Fontana aufgebaut sind....
                    Ich finde die Lautsprecher in dieser kombination sehr gut fürs Heimkino, es kam bis jetzt auch noch nicht der Wunsch nach einem Subwoofer auf....
                    Sobald man mehr dazu sagen kann halte ich euch auf dem laufenden....
                    Dann gibt es auch ein paar Bilder....

                    MfG

                    Kommentar

                    Lädt...
                    X