Ankündigung

Einklappen
Keine Ankündigung bisher.

Starlet 12db Weiche

Einklappen
X
 
  • Filter
  • Zeit
  • Anzeigen
Alles löschen
neue Beiträge
  • istec1003
    Registrierter Benutzer
    • 20.04.2004
    • 577

    Starlet 12db Weiche

    Hallo.

    nachdem ich das Projekt Starlet mit 12db Weiche seit mehreren Jahren mit mir rumtrage, habe ich nun sowohl Zeit als auch Interesse das Ganze auch mal anzugehen.

    Frequenzweiche, Frequenzgang und Boxsimdatei habe ich angehangen.
    Die Weiche kostet ca. 35,-. (normale Starlet ca 20,-).
    Chassis sind W200S-8, W100S-8 und DT94-8 (vorhanden).

    Ein paar Fragen habe ich noch: (Durchnummeriert, zum einfacheren beantworten.)
    1. Was haltet ihr von der Weiche? Verbesserungsvorschläge?
    2. Ich habe noch 3,3mH HQ 43 Spulen von IT, kann ich die weiterverwenden? (Rollenkern, 0,95mm, 0,37Ohm)
    3. Besteht die Möglichkeit, die Weiche bei Visaton zu messen? So weit ich weiß, war das mal möglich!? (Wohne quasi nebenan und habe selber nicht die Möglichkeit...)


    Gruß und ein schönes Wochenende,
    Sven
    Angehängte Dateien
  • istec1003
    Registrierter Benutzer
    • 20.04.2004
    • 577

    #2
    Hey, ich drängel ja ungern, aber hat keiner mehr 'nen Tipp oder 'ne Meinung?

    Kommentar

    • wiesonich
      Registrierter Benutzer
      • 21.06.2006
      • 152

      #3
      An den Frequenzgängen des Mittel- und des Hochtöners fällt auf, dass beide im Übernahmebereich sehr unterschiedliche Flankensteilheiten aufweisen. Ob das ein Drama ist, weiß ich zwar nicht, aber eigentlich müsste das Ziel einer Weichenentwicklung doch unter anderem darin bestehen, die Flankensteilheiten im Übernahmebereich anzugleichen. Der Übergang zwischen Tief- und Mittelton scheint in diesem Punkte besser gelungen.

      Hier steht ´ne Menge Gutes darüber:

      http://hifi-selbstbau.de/index.php?o...d=34&Itemid=68
      Gruß

      Kommentar

      • Chaomaniac
        Registrierter Benutzer
        • 01.08.2008
        • 2916

        #4
        Zu 1:
        Die Weiche finde ich gut, wenn man den Mitteltöner verpolt, bilden sich in den Übernahmebereichen schöne tiefe Kerben (optimale Phasenlage). Den Mittelton könnte man evtl. noch geringfügig ändern, um die Weiche ein paar Cent günstiger zu bekommen (siehe Anhang), für den Hochtonspannungsteiler ist es bestimmt kein Fehler, zusätzlich noch Widerstände zu kaufen, um den Spannungsteiler auf 10Ω/10Ω zu ändern (falls der Hochton zu präsent werden sollte).

        Zu 2:
        Ja.

        Zu 3:
        Am Besten mal direkt bei Visaton anfragen.
        Angehängte Dateien
        Gaaaanz viel Zeug zu verkaufen...

        Kommentar

        • Reim
          Registrierter Benutzer
          • 29.06.2001
          • 1506

          #5
          Hallo

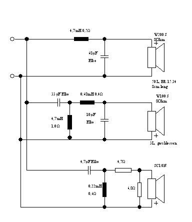
          ich hatte von einiger Zeit mal für einen Kollegen hier im Forum die sog. Starlet-Turbo entwickelt. Mit anderem HT (SC10N) und 12dB Weichen.

          Damals nutzte ich noch SPEAKER, da es Boxsim noch nicht gab. Zur Abstimmung hatte ich positives Feedback erhalten.

          Vielleicht hilft es dir weiter.

          Gruß Thomas
          Angehängte Dateien
          Viele Grüße

          vom Reim

          Kommentar

          • knork
            Registrierter Benutzer
            • 18.09.2008
            • 1896

            #6
            sind nur minimale veränderungen, aber die phasenlage mt/ht wird nochmals verbessert. den ht habe ich noch um ein weiteres db abgesenkt - könnte mir vorstellen, dass er sonst zu vordergründig ist.
            dem w100s habe ich 2 liter mehr volumen gegönnt, offensichtlich mag er das, denn die phasenlage ändert sich dadurch und läuft nun mit dem tt über einen weiten bereich gleich.
            Angehängte Dateien
            ...

            Kommentar

            • istec1003
              Registrierter Benutzer
              • 20.04.2004
              • 577

              #7
              Hallo und vielen Dank für die Ideen und Anregungen!

              Die Trennung MT zum HT habe ich noch mal geändert.
              Volumen des MT erhöht.
              Außerdem ist der HT jetzt etwas stärker abgesenkt.
              Auf eine 18db Trennung möchte ich verzichten, so viele Bauteile müssen es für die preiswerten Chassis dann doch nicht sein.
              Die Boxsim-Datei ist im Anhang.

              Gruß,
              Sven
              Angehängte Dateien

              Kommentar

              Lädt...
              X