Nach etwas längerer Abstinenz möchte ich euch gerne den aktuellen Stand meiner Kleinanlage vorstellen.
Im Herbst des vergangenen Jahres habe ich meine Bijou Gehäuse für den Einbau des WG umgearbeitet und quasi eine Studio 2KE daraus gemacht.
Kurz und knapp: Es hat sich gelohnt! Akustisch wie auch optisch gefällt es nun deutlich besser (trotz einer im Moment noch quick&dirty Einmessung).
Akustisch harmonischer und mehr aus einem Guss mit einer gesteigerten Direktheit, ohne dabei auf Dauer zu nerven - ich denke so kann man laienhaft die Veränderung ganz gut beschreiben.
Zum Baubericht der ersten Version geht es hier entlang: http://forum.visaton.de/showthread.php?t=26224
Hier nun ein paar Bilder:
Vorher:
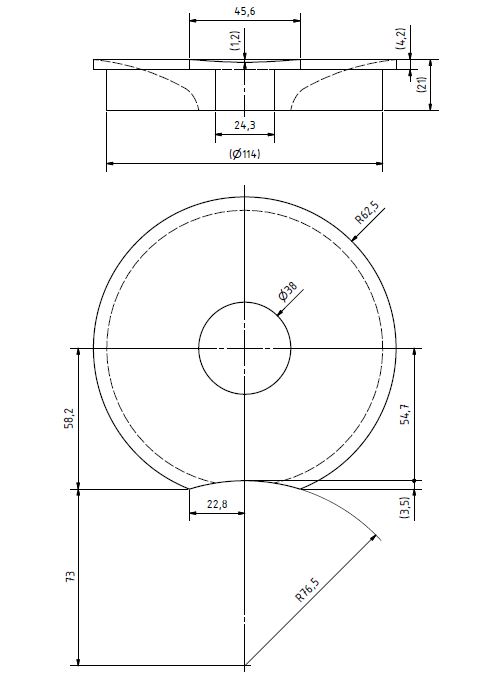
Die WGs mussten wegen des begrenzten Platzes auf der Front entsprechend angepasst werden:
Zum Fräsen habe ich mir zwei Schablonen lasern lassen, die sich einfach mit doppelseitigem Klebeband auf der Front befestigen ließen (die Beschichtung hat das ohne Beschädigung überstanden):
Nach dem Fräsen (inkl. zwei zerstörter Fräser aufgrund der sehr harten Beschichtung); 10mm Fasen gab's obendrein:
Zum Einkleben der WGs habe ich handelsübliches Acryl verwendet:
Nach dem Abbinden:
. (copyright by mechanic)
Kommentar