möchte mich zuerst einmal bei allen, die in diesem Forum ihre Erfahrungen teilen, bedanken. Wirklich lange habe ich hier über einzelne Chassis, deren Zusammenstellung, und über Frequenzweichen gelesen. Natürlich mit dem Hintergrund eine eigene Box zu bauen. Nun ist mein Werk fast vollendet (nur noch Oberflächenbehandlung) und gern teile ich meine Erfahrungen mit Euch, damit andere womöglich davon profitieren.
Welche Box soll es sein? Ihr alle habt Euch diese Frage schon gestellt. Leider hat man nicht die Möglichkeit alle miteinander ausgiebig zu testen, also massig Erfahrungsberichte lesen und die eigenen Vorlieben für sich selbst festlegen. Ich für einen Teil höre gerne etwas länger bei erhöhter Zimmerlautstärke. Emotionale Stücke gern mal richtig laut. Ich wollte auf jeden Fall eine sehr fein zeichnende Box haben, um viele Details aus meiner Musik herauszukitzeln, andererseits sollte aber auch ein guter Bass vorhanden sein, da ich auch gerne einen schönen DVD-Abend mit meiner Frau verbringe und Actionkracher voluminös wiedergegeben werden sollen. Ich persönlich bin von 2-Wege weniger begeistert, da meistens die Bässe zu schlank bzw. nicht kraftvoll genug sind (gerade bei Filmen) oder es fehlen die so wichtigen Mitten. Die Charakteristik der Classic 200 GF gefiel mir, die stolze Quintett ebenso.
Hinzukam jedoch, dass das Musikhören mir mit vielen Boxen anstrengend erscheint. Nicht weil ich zu laut hörte oder die Höhen zu betont waren. Die direkte Beschallung schien das Problem zu sein (alte Boxen auf den Rücken gelegt, große Glasdiamanten von meiner Hochzeit über MT & HT postiert und probiert). Ich schaute mir die Fontana an. Eine sehr umstrittene Box, die ich so nicht bauen wollte, da man ihr nachsagte, dass sie für den wahren Musikgenuss die falschen Chassis beinhaltete und zudem nur ein Einheitsbrei das Ohr erreicht. Aus der Traum von feingezeichneter Musik? Was also tun? …eine Eigenkonstruktion! Die Fontana als 3-Wege mit der von mir empfundener optimaler Bestückung.
Tieftönerauswahl:
Nach langem Lesen im diesem Forum habe ich mich für den TIW-200 entschieden. Wieso? Kein anderer Tieftöner kam so gut mit derartig wenig Raum zurecht und liefert trotz alledem einen guten Bass. Schließlich sind die Abmessungen der „neuen“ Fontana durch ihre eigenwillige Konstruktion nicht beliebig ausbaubar (Hochtöner musste auf jeden Fall Ohrhöhe haben). Also der TIW-200 mit 20 cm oder kleiner. Der AL-170 mit 17 cm war mir einfach zu schwach.
Mittentönerauswahl:
Da der Kegel in seiner Größe begrenzt ist, wollte ich einen kleinen aber feinzeichnenden MT, der möglichst wenig Schall am Kegel vorbeilässt. Der TI-100 schien perfekt.
Hochtönerauswahl:
Ich mag keine harten Höhen und zischende S-Laute, wie zu oft die KE’s beschrieben wurden. Weich und doch detailliert sollten die Höhen sein. Die G 20 Kalotte schien mir meinem Geschmack gleich zu kommen. Sie wurde auch zusammen mit dem TI-100 in der von mir favorisierten Classic 200 GF verbaut. Eine Paarung dieser schien mir logisch.
Gehäuse:
Aber nun zum Gehäuse, das noch nicht einmal auf dem Papier existierte. Die Fontana war mein Grundriss. Der Tieftöner sollte in einem 30 bis 45 Grad Winkel verbaut werden. Tiefe Töne breiten sich im Gegensatz zu Höhen eh allseitig aus. Ich zeichnete, rechnete und dies war das Ergebnis (siehe Foto). Eine Box aus reiner Buche.
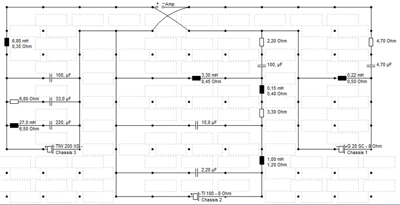
Frequenzweiche:
Der wohl schwierigste Teil, der viele Abende einnahm, war die Frequenzweiche. Boxsim half mir dabei. Sehr hilfreich ist das Werkzeug in diesem Programm, welches den Frequenzverlauf bei verschiedenen Winkeln aufzeigt. Damit kann diese schwer simulierbare Box für meine Zwecke doch feinjustiert werden, so weit es geht, da ich leider nicht über Messinstrumente verfüge. Was war für mich wichtig? Durch Euch wusste ich um die Schwierigkeit des TIW-200. Er sollte bei ca. 200 – 300 Herz ausgeblendet werden, da er sonst Probleme macht bzw. nur mäßig klingt. Zudem wollte ich den TI-100 breit nutzen, denn von ihm bin ich sehr überzeugt. Außerdem ist er ein Tief-Mitteltöner, der ab ca. 250 Herz das hinbekommen sollte. In der Topas reicht er schließlich bis in den „Tiefbass“ hinunter. Die Kalotte G-20 sollte dann ab 3000 übernehmen. Etwas tiefer musste ich dann doch gehen, um den Frequenzverlauf zu glätten.
Ich bin kein Ingenieur, dafür Tischler mit technischem Verständnis. Ich habe mir viele Frequenzweichen angeschaut, diese für meine Chassis simuliert und optimiert. Ich habe mich an den aufwendigsten Frequenzweichen orientiert, aber auch die einfachen inspiziert. Die Frequenzweiche der Fontana als 2-Wege ist schon aufwendig, doch als 3-Wege war es echt eine Herausforderung, dabei wollte ich sie doch so einfach wie möglich halten.
Hörtest:
Dann endlich hatte ich alle Teile zusammengefügt und konnte meine neuen Boxen hören. Für alle, die es interessiert. Als Anlage dient mir die letzte Integra-Serie von Onkyo. Zum Vergleich hielten meine bis dahin genutzten Technics-Boxen SB-M300 her (Ich weiß, sind für die heutige Zeit keine Maßstäbe mehr. Damals hat die 500er Serie, die meinen Boxen sehr ähnlich sind, gut abgeschnitten). Ob die Frequenzweiche gelungen war, testete ich zunächst mit einem Tongenerator – Umschalten zwischen zwei Boxenpaare – ich weiß, das ist nicht professionell, sorry. Die JBL‘s und 2 andere hochwertige Boxenpaare u.a. B&W von einigen Freunden mussten ebenso herhalten. Was soll ich sagen? Ich bin mehr als zufrieden. Man muss mit der Aufstellung der Boxen spielen. Auf jeden Fall einen knappen Meter von den Wänden entfernt und schon sitz man in einem großen Konzertsaal.
Mozart, eine kleine Nachtmusik, 1. Satz Allegro: die Höhen und Mitten wirklich fein gezeichnet… einmal umgeschaltet auf die Technics-Boxen… die übertriebenen Tiefen überlagern scheinbar alle Feinheiten… zurück auf meine neuen Fontanas… ich sehe die Streicher förmlich vor mir, weil man in ruhigen Momenten das Ansetzen der Geigenbögen erahnen kann… zu den Technics… nichts davon zu hören, dann setzt der Kontrabass ein. Es wird lauter und der Bass nimmt den Raum ein… zurück zur Fontana… der Bass ist etwas zurückhaltender, aber wesentlich präziser. Ich hab diese Aussagen nie so deuten können, doch es brummelt nicht einfach nur, sondern der Bass fügt sich in das Bild ein. Es wirkt nicht so aufgetragen, wie ein pinkfarbener Lippenstift, auf den man starrt. Das Bild im Ganzen ist detailreicher und neutraler und dabei sehr weich ohne nervige Zischlaute oder dröhnendem Bass. Ich drehe den Lautstärkeregler weiter auf und das Konzertfeeling ist perfekt.
Der Soundtrack von „Spiel mir das Lied vom Tod“ muss her. CD eingelegt und wieder begeistert mich die Klarheit der hohen Stimme jener Frau. Mir schmerzen nicht die Ohren, sondern ich genieße, weil die Musik den ganzen Raum einzunehmen scheint. Genau das ist es, was mich an diesen Boxen so sehr fasziniert. Man begibt sich nicht in einen Sturm von direktem Schall (im Stereodreieck), der auf einen einhämmert, vielmehr umwirbelt einen das Musikstück.
Jetzt will ich den Bass testen. Eine „All Saints“-CD (rockig) soll mir dabei helfen. Sie haben einige sehr bassreiche Lieder. Auch hier dasselbe Bild. Der Bass direkt und nicht zu dick wie bei meinen Technics-Boxen, kurze knackige Drums.
Als ich das Fernsehprogramm über die Fontanas spielen ließ, fiel mir auf, dass die Nachrichtensprecherin (mit leicht betonten Höhen am Verstärker) scheinbar in einem Saal sitz. Es hallte ein klein wenig. Ich drehte die Höhen leicht zurück und der Effekt war fort. Dann schaute ich mehrere Filme und der wohl größte Vorteil dieser Boxen kam mal wieder zum Vorschein. Ein Stereoeffekt, wie ich ihn nirgendwo anders gehört habe, selbst weit außerhalb meines „alten Stereodreiecks“. In einem großen Epos hörte man Pferde von rechts kommen. Links schossen sie wild umher und mittendrin der Held und ich
Es heißt die Fontana ist zum Hören von guter Musik nicht geeignet. Sie sei durch die Reflexionen sehr ungenau in der Wiedergabe. Ich kenne das Original nicht, doch meine Fontana hat mich beim Musikhören sehr bewegt. Vielleicht liegt es auch daran, dass ich raue Fließtapete an den Wänden habe, große Blumen das Wohnzimmer schmücken und eine riesige Couch mein Hörsaal ist, die zusammen übermäßige Reflexionen verhindern. Vielleicht sind es auch nur die vielen Vorurteile, die den Ruf dieser Boxen stören, ich weiß es nicht.
Natürlich ist die Aufstellung nicht ganz einfach. Meine Hörerfahrungen sind wie folgt. Optimal schien es für mich die Boxen gute 2 Meter auseinanderzustellen und 2 Meter von mir entfernt (ein gleichseitiges Dreieck also). Je weiter man sich nach hinten entfernt, umso größer wird der „Konzertsaaleffekt“. Bei großen Aufnahmen der Klassik sehr effektvoll.
(Jetzt schreien bestimmt einige „verfälschte Wiedergabe!!! Sowas kann sich kein Hifi-Liebhaber anhören“. Ich sage, kann man, denn aufgenommen werden solche Konzerte direkt am Instrument. Jeder, der schon ein richtiges Konzert erlebt hat, weiß, dass der Saal oder z.B. bei Bachs Orgelaufnahmnen die Kirchen, wo er oft gespielt hat, eine ganz eigene Raumakustik haben, die diese CD-Aufnahmen nicht wirklich enthalten, da hauptsächlich nur der Direktschall aufgenommen wird.) Ein wenig mehr die Lautstärke aufgedreht und die Nackenhaare stehen stramm. Aber zurück zur Aufstellung. Je mehr man sich den Boxen nähert, umso größer wird der Direktschallanteil. Es entsteht wieder das typische Stereodreieck, jedoch mit dem Unterschied zu herkömmlichen Boxen, dass der Schall noch immer nicht hart auf einen einwirkt, sondern man wirklich lange ermüdungsfrei hören kann, was für mich sehr wichtig ist. Der „Konzertsaaleffekt“ ist nun minimal. Der Klang löst sich perfekt von der Box, man schaut selten auf einen Lautsprecher, denn die Musik scheint in der Luft zu liegen, und man hat ein super Stereo.
Mit Sicherheit liegt in meiner Box noch Verbesserungspotenzial, doch mir gefällt das Ergebnis wie es ist.
Eines Noch! Es gibt heftige Diskussionen über Boxen und deren genauste Wiedergabe der Originalaufnahme. Nach unzähligen Stunden des Hörens hoffe ich vielleicht ein wenig Licht in die oft ungehörte und doch verurteilte Fontana zu bringen. Womöglich inspiriere ich gar den einen oder anderen.
Klar, es gibt mit Sicherheit Boxen, die noch mehr Feinheiten ans Ohr lassen, die kräftiger im Bass sind oder neutraler spielen, doch wenn es darum geht Emotionen zu wecken, so möchte ich mit keinen der bisher gehörten Boxen tauschen. Wer bereit ist mit der Boxenaufstellung zu spielen, eine räumliche Musikwiedergabe mag, für den ist die Fontana oder womöglich meine Version der Fontana bestimmt interessant.
Ich danke Euch wirklich für die vielen Diskussionen, die ihr führt. Ich hatte viel Spaß beim Lesen, bauen und jetzt beim Hören. Ich habe sehr viel gelernt und wünsche Euch allen viel Glück bei neuen Projekten. Und nicht vergessen, Musikhören heißt Emotionen wecken, erst wenn die Nackenhaare stehen, ist die Box perfekt.
Mit freundlichen Grüßen
diamand-dog
PS: Über Meinungen und Anregungen freue ich mich natürlich!

Kommentar