Die Boxen sind fertig und die Aktiv weiche funktioniert.
Es war ein langer weg, ein Dutzend Fehler in der Schaltung, und 3 kaputte Verstärker haben ganz schön nerven gekostet.
Am ende hab ich mir dann halt einfach eine Verstärker Platine bestellt.
Sie sehen leider nicht besonders ordentlich aus, aber egal Hauptsache sie klingen.
Und mit dem Klang bin ich zufrieden sie können zwar keinen wirklichen Tiefbass, aber das was sie an Bass können ist ausreichend und für ihre Größe sehr ordentlich.
Die FRS5X sind wirklich Top solange man nicht zu laut hört klingen die µ Stellas wirklich sehr gut.
Auch wenn die Tiefbass Anhebung die Max Lautstärke beschränkt, ist das wirklich ne sehr gute Idee von Antiasina gewesen,
sie klingen fast wie große boxen nur halt mit begrenzten Pegel. Wobei die Lautstärke eigentlich ausreicht.
Die Höhen sind verdammt gut, obwohl es nur Breitbänder sind, sind die Höhen sogar besser als bei meinen Yamaha Standtboxen.
Also ich bin sehr zufrieden

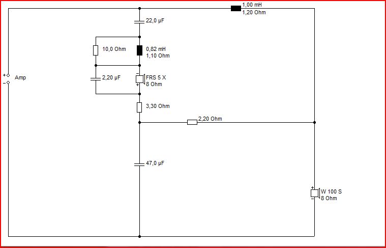
Und nochmal Vielen Dank an Antiasina für die Simulation und Planung der Aktivweiche.
Hier ist der ursprüngliche Fred mit allen Schaltungsunterlagen Etc.
MfG Daniel

.
.
. Hat das Budget bei Dir gereicht?
Kommentar