ich habe meinen Prototypen für die Aria SC fertig gestellt.
Nur leider habe ich es bei der Weichenbestückung zu gut gemeint.
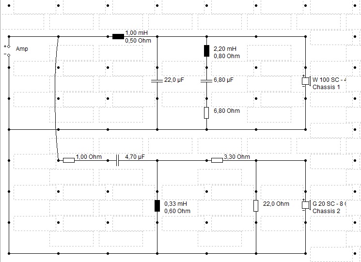
Im Tiefpass habe ich eine 1,0mH Luftspule und einen 22µF MKT, als Impedanzkorrektur eine 2,2mH Luftspule und einen 6,8µF MKT.
Diese Bauteile will ich durch Elkos glatt und Ferritspulen austauschen, dann bekomme ich die Weiche auch durch die Öffnung vom W100S.
Wenn man Ferritspulen anstatt Luftspulen nimmt, hat das starke klangliche Einbußen oder ist das vernachlässigbar?
Der unterschiedliche Widerstand(0,2Ohm) wirkt sich laut Boxsim kaum aus.



Kommentar