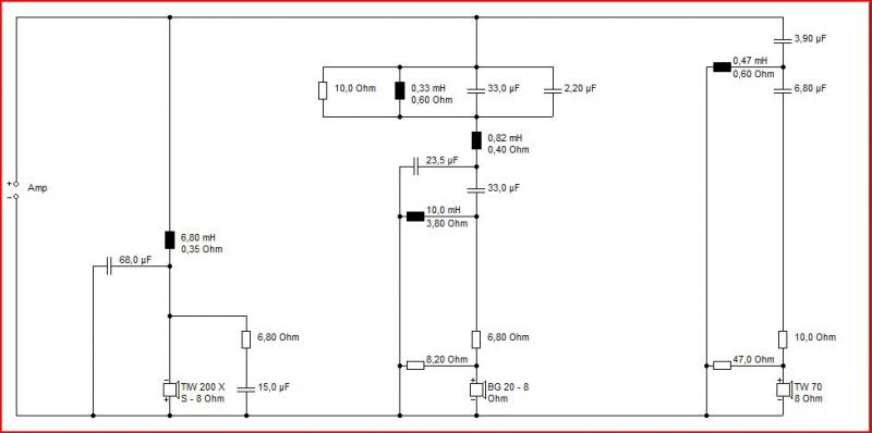
War eigentlich nur zum testen habs aber mit günstigen chassis gemacht um es evtl nachzubauen um die Theorie mit der Praxis zu vergleichen.
Deswegen gehts hier eher nicht um die Frage ob die Kombination der Chassis super passt, sondern ob die Weiche für die Kombi Sinn macht oder was ich falsch/schlecht gelöst habe (insbesondere Phasengang, das Diagramm ist für mich noch ein HBF
).Wenn euch langweilig ist schauts euch an und macht mich fertig

ps.: Woher bezieht ihr eure Weichenteile? bzw wo gibts "günstige" funktionierende Teile? Sollte man auf was bestimmtes achten?
MfG
Joe

Kommentar