--RalpH
Ankündigung
Einklappen
Keine Ankündigung bisher.
B 80 anyone?
Einklappen
X
-
-
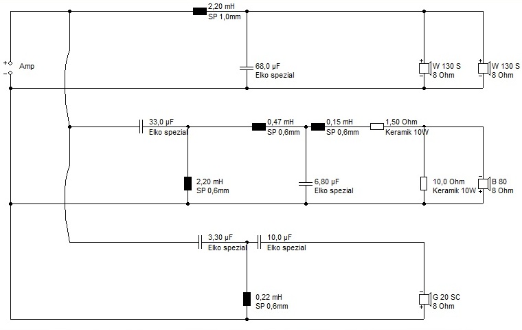
Dachte eher an breitbandigen Einsatz, aber was nicht ist kann ja noch werden:
B80 in 2L, BR @ 90Hz, ohne Frequenzweiche.
Schlägt den FRS8 (gleiches Gehäuse) im Mitteltonbereich um fast 8dB! Und wird mit einem Hochpass bei 80Hz wohl mein nächstes Mobilsystem
Angehängte DateienZuletzt geändert von RalpH_himself; 28.12.2011, 15:04.
Kommentar
-
Ich hab mal Testweise die Daedalus Mini-TL gebaut.Zitat von RalpH_himself Beitrag anzeigenDachte eher an breitbandigen Einsatz, aber was nicht ist kann ja noch werden:
Erstaunlich was für ein Klang aus den kleinen Dingern rauskommt.
Kommentar

Kommentar