Ankündigung

Einklappen
Keine Ankündigung bisher.

Standbox mit W130S-8 und DT 94 -8

Einklappen
X
 
  • Filter
  • Zeit
  • Anzeigen
Alles löschen
neue Beiträge
  • Masuuk
    Registrierter Benutzer
    • 24.11.2009
    • 657

    Standbox mit W130S-8 und DT 94 -8

    Hallo,
    nach langen herumprobieren und hören, möchte ich langsam zur Tat schreiten und Bauen. Hab mich doch für einen passiven Aufbau entschieden, da man damit einfach etwas Flexibler ist, wenn denn schon ein Verstärker da ist. Etwas mehr Zahlungsmittel sind nun auch verfügbar.^.^ Soll trotzdem ein günstiges Projekt bleiben.

    Nachdem ich zwei geschlossene Frontboxen bestehen aus W130S-8 und DT94-8 gebaut habe und für sehr Toll halte, möchte ich auf Basis dieser zwei Standboxen bauen. Da mir die Skyline sowohl optisch als auch technisch gute gefallen hat sollte diese als Basis herhalten.
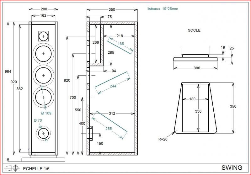
    Raus gekommen ist dabei der Anhang.
    Nun wollte ich fragen was man denn noch so verbessern könnte, bzw ob ich was übersehen hab. der Mittel bis Hochtonbereich sollte eigentlich dabei unverändert bleiben, da ich ihn wie geschrieben ganz gut finde. Beim Bass bin ich mir noch unsicher ob geschlossen oder Bassreflex, da ich bei geschlossen angst habe, das der Pegel nicht reicht. Sollte die Box noch Bassreflex werden, würde ich das Volumen der beiden Tieftöner noch verkleinern um so etwas Pegel zu gewinnen.

    Da aus Lärmschutzgründen nie über 100dB gehört werden kann (Nachbarn sind was unangenehmes ^.^) sollte der Pegel aber reichen.

    Ach ja die Weiche ist im Verstärker 2. Weiß leider nicht wie ich sie in 1 hätte verschieben können.
    Angehängte Dateien
  • jama
    Registrierter Benutzer
    • 19.07.2009
    • 4888

    #2
    masuuk
    schau mal das an,90db statt 85, der max pegel ist grösser als bei dir.
    (den bauplan habe ich auch,das loch vom dt94 muss angepasst sein!)
    Angehängte Dateien
    Zuletzt geändert von jama; 13.07.2010, 07:59.
    • ’’Freiheit ist das Recht, anderen zu sagen, was sie nicht hören wollen. ‘‘ George Orwell
    • „Niemand ist frei, der nicht über sich selbst Herr ist. ‘‘ Matthias Claudius.

    deutsch ohne "sz" ABER mit fehler, tchüss! Jean-Marc.

    Kommentar

    • Gast-Avatar
      andik

      #3
      Verbunden mit in Relation weniger Tiefbass, höherer Gesamtpegel, mehr in den Hintergrund rutschender Tiefbass, da nicht mit hohem Pegel gehört werden soll würde Masuuk´s Weiche für diese Anwendung (für den Anwender) besser geeignet sein.

      Kommentar

      • jama
        Registrierter Benutzer
        • 19.07.2009
        • 4888

        #4
        wo ist weniger bass??
        gestrichelt masuukweiche
        Angehängte Dateien
        • ’’Freiheit ist das Recht, anderen zu sagen, was sie nicht hören wollen. ‘‘ George Orwell
        • „Niemand ist frei, der nicht über sich selbst Herr ist. ‘‘ Matthias Claudius.

        deutsch ohne "sz" ABER mit fehler, tchüss! Jean-Marc.

        Kommentar

        • knork
          Registrierter Benutzer
          • 18.09.2008
          • 1896

          #5
          weniger tiefbass - unter 45 hz...
          ...

          Kommentar

          • Masuuk
            Registrierter Benutzer
            • 24.11.2009
            • 657

            #6
            also mein mehr Tiefbass kommt durch die Bassreflex-Abstimmung. ich habe 40 Hz die Swing 50Hz.
            Also ich habe jetzt noch mal herumprobiert und die Tiefton-Trennung der Swing übernommen. und meinen Hochtöner angepasst, mir persönlich gefällt nämlich das Rundstrahlverhalten meiner Variante.
            Das Problem was ich gerade sehe ist der Entzerrkreis vom Tieftöner mit der 27mH Spule, also 10€ für ne Spule sind mir zu fett. Hab per Boxsim es auf eine 18mH spule drücken können aber die ist bei Strassaker auch nicht viel Billiger. Der Einfluss ist aber schon deutlich, gerade in der Impedanz. Gibt dazu vielleicht noch eine Alternative? Bzw. wie viel muss so eine Spule aushalten, oder eicht da eine Simple Drosselspule?
            Angehängte Dateien

            Kommentar

            • Gast-Avatar
              andik

              #7
              Gemeint war nicht weniger Tiefbass, der ist annähernd auf gleichem Niveau, gemeint war der höhere SPL der Gesamtbox von jama´s Simu, nachdem der höher liegt wird der Bassbereich ganz einfach als "dünner" empfunden. Also für den eher Leisehörer, der auch ein wenig Bass mitbekommen möchte ohne aufgedrehtem Bassregler wäre die Weichenvariante mit weniger Gesamt-SPL vorzuziehen.

              Kommentar

              • Reim
                Registrierter Benutzer
                • 29.06.2001
                • 1506

                #8
                Hallo Masuuk

                auch wenn du einen anderen HT einbauen willst, so möchte ich deine Aufmerksamkeit auf meine Rhythmic legen, vielleicht hast du sie ja schon gesehen, damit könntest Du auf Basis einer gemessenen Box den HT tauschen, was in Boxsim gut gelingen kann.

                http://www.visaton.de/vb/showthread....light=Rhythmic
                Viele Grüße

                vom Reim

                Kommentar

                • Masuuk
                  Registrierter Benutzer
                  • 24.11.2009
                  • 657

                  #9
                  Hallo Masuuk

                  auch wenn du einen anderen HT einbauen willst, so möchte ich deine Aufmerksamkeit auf meine Rhythmic legen, vielleicht hast du sie ja schon gesehen, damit könntest Du auf Basis einer gemessenen Box den HT tauschen, was in Boxsim gut gelingen kann.

                  http://www.visaton.de/vb/showthread....light=Rhythmic
                  Jab hab ich, aber ich wollte auf das Bass - betonen verzichten. Da einige Genre die ich höre, schon mit Bass - Anhebung aufgenommen wurden.

                  Wie verhält sich das eigentlich mit einem Helmholtz - Resonator in der Box? Hat der auch Einfluss auf die Impedanz?

                  Kommentar

                  • Reim
                    Registrierter Benutzer
                    • 29.06.2001
                    • 1506

                    #10
                    Hallo Masuuk

                    das mit dem Bass ist nicht überzubewerten, die Anhebung macht sich nicht in einer überdimentionalen Bassdominanz bemerkbar. In meinen Erfahrungen mit Boxen die eher kleinen TT einsetzen, sollte sich messtechnisch der Bass betont darstellen, um im Hördurchgang einen recht ausgewogenen Eindruck zu hinterlassen. Im Gegenteil, stimmt man die Box messtechnisch linear ab, dann klingt die Box bassarm.

                    Was meinst du mit "Helmholtz - Resonator ", da die Box als BR ausgelegt ist, arbeit die Box mit einem solchen.
                    Viele Grüße

                    vom Reim

                    Kommentar

                    • tuningpaul77
                      Registrierter Benutzer
                      • 04.03.2008
                      • 633

                      #11
                      Hallo,

                      das kann ich nur bestätigen!
                      Ich habe die Rhythmic auch gebaut, jedoch mit dem G20sc, sie hat keinesfalls zu viel Bass, die Abstimmung ist gut
                      Wenn ich sie frei stehen habe, ist es mir sogar zu wenig, es sind halt doch "nur" 2 13er

                      Kommentar

                      • Masuuk
                        Registrierter Benutzer
                        • 24.11.2009
                        • 657

                        #12
                        as meinst du mit "Helmholtz - Resonator ", da die Box als BR ausgelegt ist, arbeit die Box mit einem solchen.
                        Das heißt man baut einen zusätzlichen Helmholtz - Resonator intern in die Box, der eine bestimmte Frequenz schluckt.

                        Wenn ich sie frei stehen habe, ist es mir sogar zu wenig, es sind halt doch "nur" 2 13er
                        Liegt das aber nicht eher daran das die Rhythmic eine geringere Grenzfrequenz hat zum wohle des Pegels?

                        Kommentar

                        • Gast-Avatar
                          andik

                          #13
                          Wie verhält sich das eigentlich mit einem Helmholtz - Resonator in der Box? Hat der auch Einfluss auf die Impedanz?
                          Jo, hat er, wie eine Bassreflexabstimmung auch, es ist eine dämpfende Maßnahme die auch auf den Impedanzverlauf einfluss hat.
                          HiFi_Selbstbau Arbeit
                          Aber: (zitat aus dem Link)
                          Wir haben den Ausflug in die Welt des IHAs an dieser Stelle jedenfalls erst mal abgebrochen da wir eine "idiotensichere" Lösung gefunden haben, die weniger "zickig" reagiert und daher extrem nachbausicher ist. Im Moment nehmen wir nur mit, dass der IHA höchstwahrscheinlich unbedingt in der unmittelbaren Nähe des Chassis angebracht und sehr genau abgestimmt sein muss.
                          Also für den Otto-Nomalverbraucher nicht so einfach anwendbar, dann lieber mit Dämmwolle experentieren und, oder Plattenabsorbern an den Zimmerwänden oder, naja, recht großen Absorbern in den Raumecken.

                          Kommentar

                          Lädt...
                          X