Ankündigung

Einklappen
Keine Ankündigung bisher.

Casablanca 2 Bauvorschlag

Einklappen
X
 
  • Filter
  • Zeit
  • Anzeigen
Alles löschen
neue Beiträge
  • rainerk
    Registrierter Benutzer
    • 27.05.2010
    • 1

    Casablanca 2 Bauvorschlag

    Hallo allerseits,

    ich habe mir in den neunzigern die Casablanca 2 gebaut.
    Der Klang fasziniert noch immer, solange die Lautsprecher nicht zu nah an der Wand oder einer Ecke stehen.
    Die Chassis haben auch die Grabsch-Angriffe unserer damals kleinen Tochter dank Lautsprecherabdeckungen (Gitter) überstanden.
    Mittlerweile sind die Gehäuse etwas ramponiert, deswegen würde diese mir gerne neu bauen.
    Leider habe ich das Bauvorschlagsheft dazu nicht mehr.
    Hier im Forum habe ich diesen Bauvorschlag nicht gefunden, nur den ganz alten und neuere.
    Wichtig ist auch der Plan der Weiche.
    Es ist die Variante mit den 2 Pegelstellern auf der Rückseite.
    Falls Visaton den Plan noch hat wäre ich über eine kurze Nachricht dankbar.

    Gruß

    Rainer
  • Gast-Avatar
    andik

    #2
    Hallo,

    wenn mich nicht alles täuscht habe ich diesen Bauvorschlag noch zuhause in einem Vorschlagsheft, ich schau heute abend mal nach. Hast Du die Weichen wohl zerlegt?
    Alternativ kannst auch die Erstweiche der Casablanca nehmen, wie gesagt, es sind Bauvorschläge, keine Bauzwangsmassnahmen, kann immer nach Geschmack variiert werden.

    Kommentar

    • Brownson
      Registrierter Benutzer
      • 13.10.2007
      • 11

      #3
      Hallo Rainer,

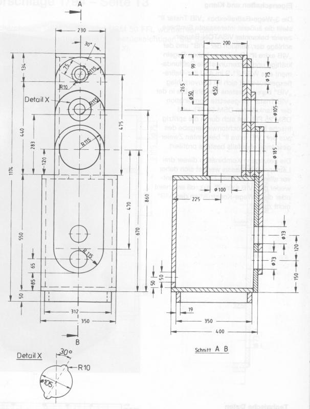
      hab das Heftl nochmals ausgegraben, Seite mit Bauplan und Frequenzweiche findest Du im Attachment ...

      Grüsse
      Andreas
      Angehängte Dateien
      Zuletzt geändert von Brownson; 01.06.2010, 13:56.

      Kommentar

      • Gast-Avatar
        andik

        #4
        Hallo,

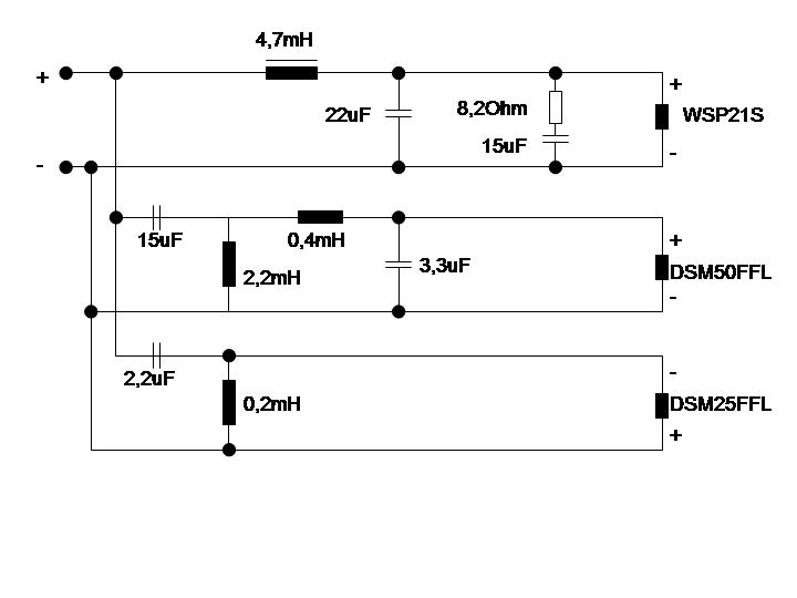
        hier nochmal sicherheitshalber besser lesbar, der Gehäuseaufbau und BR-Abstimmung ist wie die der Casa 1.
        Die 4,7mH-Spule und die 0,4mH-Spule mit möglicht niedrigem Innenwiderstand, die 2,2mH braucht nicht unbedingt sehr niederohmig sein, 1-1,5Ohm rum reichen auch aus. die 0,2mH ist eh recht niederohmig wegen der wenigen Wicklungen.
        Die Pegelregler sind nicht mit eingetragen, ist klar wo die hinkommen.
        Angehängte Dateien

        Kommentar

        Lädt...
        X