G 25 FFL, GF 250 und Dynaudio D-52 AF
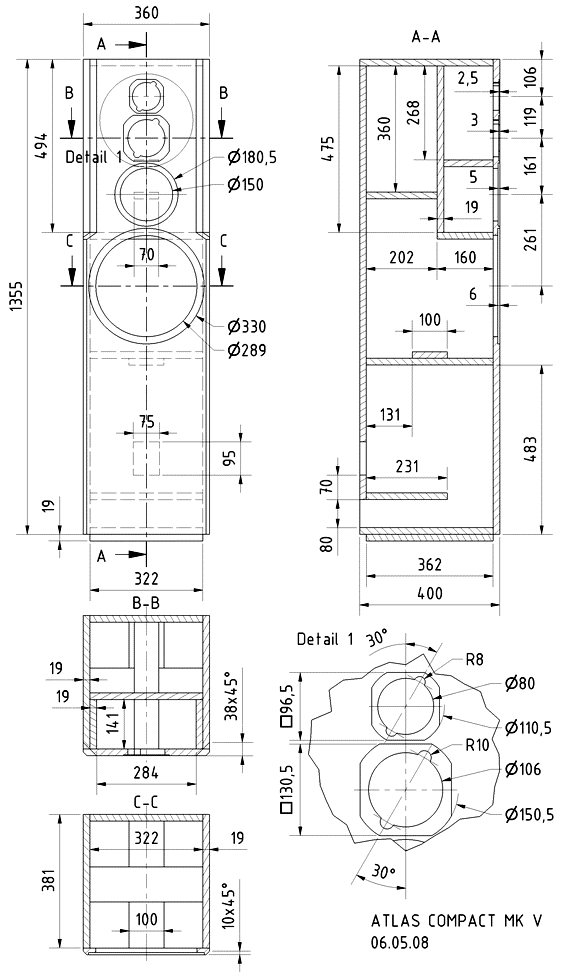
geschenkt bekommen habe, dachte ich an den Bau einer kleineren Atlas Compakt MK5.
Es würden noch zwei Al170 fehlen.
Das Gehäuse wird ein bischen kleiner als bei der Atlas, ist ja klar: 110x30x30x1.8
das sind dann knapp 75 liter.
Ansonsten die kammer für den Hoch und Mittelton Part könnte man etwas schmäler übernehmen und den Bassreflexkanal nach vorne anstatt nach hinten.
Was haltet Ihr davon, könnte das was werden? Ich wäre aber sehr stark auf eure Boxsimmessungen angewiesen, da ich mich mit dem Programm leider nicht auskenne.
Für die Dynaudio Mitteltonkallote, die mich sehr stark an die G50FFL erinnert!?
gebe ich hier mal die Technischen Daten:
D-52 AF Specifictions from Dynaudio Literature:
Nominal Power = 200 Watts DIN
Music Power = 800 Watts DIN
Transient Power for 10 mS = 1,000 Watts
Frequency Response = 400 HZ to 8,000 HZ
Resonance Free Air Fs = 350 HZ
Rise time = 45 µS
Efficiency = 91 dB, 1 Watt at 1 Meter
Nominal Impedance Zcv = 8 ohms
Minimum Impedance Zmin = 6.4 Ohms
DC Resistance Re = 4.6 ohms
Harmonic Distrotion < 0.4%
Intermodulation distrotion < 0.2%
Cone Effecive Area SD = 28 cm2
Moving Mass = Mms = 2.78 g
Linear Volume Displacement Vd = 8.4 cm3
Voice Coil Diameter d = 54 mm
Voice Coil Length h = 7 mm
Voice Coil Layers n = 2
Inductance 1 KHZ Le = 0.07 mH
Qms = 1.10
Qes = 1.03
Qts = 0.53



Kommentar