Ankündigung

Einklappen
Keine Ankündigung bisher.

Bijou 170 WG

Einklappen
Dieses Thema ist geschlossen.
X
X
 
  • Filter
  • Zeit
  • Anzeigen
Alles löschen
neue Beiträge
  • VISATON
    Administrator
    • 30.09.2000
    • 4537

    Bijou 170 WG

    Seit einiger Zeit stand die Nachfrage nach einer Modifikation der Bijou 170 mit Waveguide im Raum. Wir haben uns dieser mal angenommen und sie als "Bijou 170 WG" fertig entwickelt. Hier das Ergebnis:
    Klicke auf die Grafik für eine vergrößerte Ansicht

Name: bijou170wg_ex_181207.JPG
Ansichten: 1167
Größe: 15,1 KB
ID: 718152

    Technische Daten
    Nennbelastbarkeit: 70 W
    Musikbelastbarkeit: 100 W
    Nennimpedanz: 8 Ohm (im Bassbereich werden 4,8 Ohm aufgrund des Saugkreises erreicht)
    Übertragungsbereich (-10 dB): 50 – 20000 Hz
    Mittlerer Schalldruckpegel: 84 dB (1 W / 1 m)
    Trennfrequenz: 1800 Hz
    Gehäuseprinzip: Geschlossen


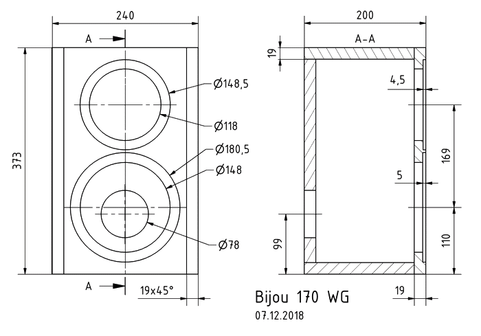
    Gehäusemaße
    Nettovolumen: 11 l
    Höhe: 373 mm
    Breite: 240 mm
    Tiefe: 200 mm

    Klicke auf die Grafik für eine vergrößerte Ansicht

Name: image_38471.gif
Ansichten: 7106
Größe: 51,1 KB
ID: 653465



    Aufbau
    Das Gehäuse besteht aus geraden auf Stoß verleimten Brettern, was den Aufbau denkbar einfach macht. Zuerst werden die einzelnen Platten (siehe Zuschnittliste) zugeschnitten und gemäß der Zeichnung auf Stoß verleimt. Die Plattenfixierung gelingt mit Schraubzwingen oder Paketklebeband.

    Damit die Platten nicht untereinander verrutschen, können z.B. eingeschlagene Nagelspitzen als Antirutschhilfe benutzt werden. Nachdem das Gehäuse dann komplett aufgebaut ist, werden die Ausschnitte für Lautsprecher und Anschlussterminals gefräst und ausgesägt. Die 45° Fasen der Frontplatte können zum Schluss entweder per Oberfräse oder per Tischkreissäge angebracht werden.

    Um die Befestigung der Frequenzweiche auf der Rückwand so einfach wie möglich zu gestalten, sollten vorher die entsprechenden Löcher vorgebohrt werden (nicht durchbohren).

    Der letzte Arbeitsgang ist die Oberflächenbearbeitung, also Schleifen, Lackieren, Furnieren oder Bekleben.


    Bedämpfung
    Zur Bedämpfung der Box werden zwei Matten Dämpfungsmaterial durch den Bassausschnitt gestopft und im Gehäuse locker verteilt.


    Bestückungsliste für 1 Box
    Hochtöner: KE 25 SC - 8 Ohm (1 St.)
    Waveguide: WG 148 R (1 St.)
    Tiefmitteltöner: AL 170 - 8 Ohm (1 St.)
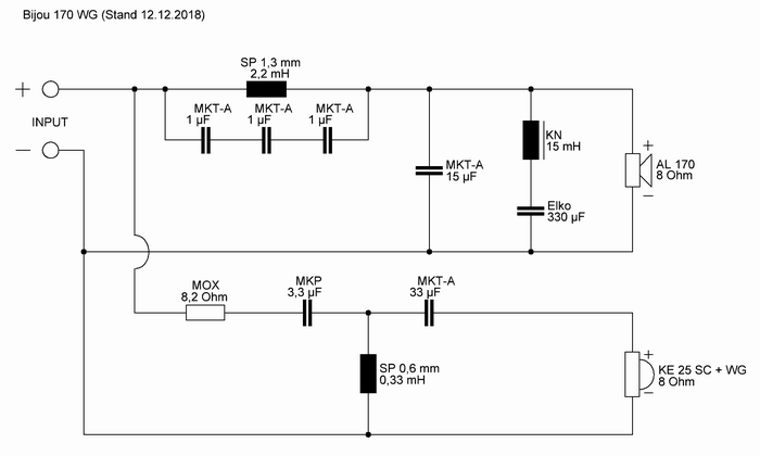
    Frequenzweiche: siehe Schaltplan (1 St.)
    Terminal: ST 77 (1 St.)
    Dämpfungsmaterial: Polyesterwolle (1 Btl.)
    Kabel: 2 x 1,5 mm² (1 m)
    Holzschrauben (Zyl. Kopf): 4,0 x 25 mm (4 St.)
    Senkkopfschrauben: 3,5 x 25 mm (10 St.)


    Zuschnittliste für 1 Box
    Material: 19 mm Spanplatte oder MDF
    Front: 373 x 240 mm (1 St.)
    Rückwand: 335 x 202 (1 St.)
    Seitenwände: 373 x 181 (2 St.)
    Deckel und Boden: 202 x 181 (2 St.)


    Frequenzweiche
    Klicke auf die Grafik für eine vergrößerte Ansicht

Name: image_38472.gif
Ansichten: 7110
Größe: 25,7 KB
ID: 653466



    Frequenzgang (Einzelfrequenzgänge)
    Klicke auf die Grafik für eine vergrößerte Ansicht

Name: image_38473.gif
Ansichten: 7225
Größe: 8,1 KB
ID: 653467


    Frequenzgang (mit und ohne Saugkreis im Bassbereich, also der KN 15 mH und dem ELKO 330 µF)
    Klicke auf die Grafik für eine vergrößerte Ansicht

Name: image_38474.gif
Ansichten: 6736
Größe: 7,8 KB
ID: 653468


    Frequenzgang (Winkelfrequenzgänge, horizontal, 0-45°, 15° Schritte)
    Klicke auf die Grafik für eine vergrößerte Ansicht

Name: image_38475.gif
Ansichten: 1169
Größe: 8,1 KB
ID: 718151
    Angehängte Dateien
    Zuletzt geändert von VISATON; 04.03.2024, 15:35.
    Admin
Lädt...
X