Der Bauvorschlag ist nicht offiziell erhältlich!
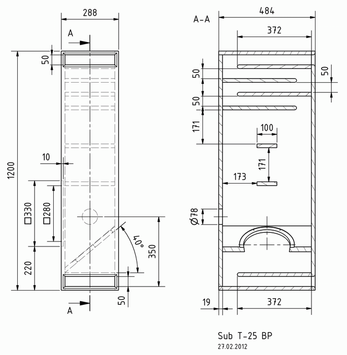
Hier die technischen Daten und Zeichnungen:
Technische Daten:
Nennbelastbarkeit: 200 W
Musikbelastbarkeit: 350 W
Nennimpedanz Z: 8 Ohm
Übertragungsbereich (-10 dB): 20–150 Hz
Gehäuseprinzip: Bandpass
Nettovolumen: 77 l + 12 l
Außenmaß Höhe: 1200 mm
Außenmaß Breite: 288 mm
Außenmaß Tiefe: 484 mm
Der Subwoofer sollte vorzugsweise aktiv angesteuert werden. Ein Tiefpassfilter mit min. 18 dB / Oktave (z.B. bei 60 Hz), sowie ein Subsonicfilter werden favorisiert.